重要提示: 请勿将账号共享给其他人使用,违者账号将被封禁!
查看《购买须知》>>>
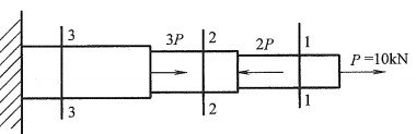
首页>试题列表>图示杆件截面2-2、3-3处的轴力分别是()kN。
搜题
题目内容 (请给出正确答案)
[单选题]

图示杆件截面2-2、3-3处的轴力分别是()kN。

A. -10,20

B. 10,20

C. -10,30

D. 10,50

查看答案
您好, 请在下方输入框内输入要搜索的题目:
搜题
更多“图示杆件截面2-2、3-3处的轴力分别是()kN。”相关的问题

第1题

图示杆件截面2-2、3-3处的轴力分别是()kN。

A. -10,20

B. 10,20

C. -10,30

D. 10,50

点击查看答案

第2题

图示杆件截面2-2、3-3的轴力分别是()kN。

A. 1,-4

B. -1,-4

C. 5,4

D. -2,-5

点击查看答案

第3题

如图所示,扣件式钢管脚手架1、2、3杆分别是指()。

A. 竖杆、纵向水平杆、横向水平杆

B. 立杆、横向水平杆、纵向水平杆

C. 大横杆、小横杆、立杆

D. 立杆、纵向水平杆、横向水平杆

点击查看答案

第4题

如下图所示,杆件M-M截面的轴力为()。

A. 30kN

B. 40kN

C. 10kN

D. 50kN

点击查看答案

第5题

如下图所示杆件,1-1截面的轴力N1-1为()。

A. 6kN

B. -6kN

C. 8kN

D. 14kN

点击查看答案

第6题

下列关于杆件的相关描述,错误的是()。

A. 杆件是指长度远大于其他两个方向尺寸的构件

B. 杆的各截面形心连线叫轴线

C. 无论杆件的受力怎样,其变形只产生轴向拉伸或压缩

D. 轴线为直线,横截面相同的杆件称为等截面直杆

点击查看答案

第7题

下列关于杆件的相关描述,错误的是()。

A. 杆件是指长度远大于其他两个方向尺寸的构件

B. 杆的各截面形心连线叫轴线

C. 无论杆件的受力怎样,其变形只产生轴向拉伸或压缩

D. 轴线为直线,横截面相同的杆件称为等截面直杆

点击查看答案

第8题

背景:B安装公司承建某商业大楼的机电工程,其吊装施工方案中要正确应用杆件相关知识,制作中采取合理工艺,最后取得安全实用、经济可靠的效果,以下内容反映了技术人员的相关知识水平。请回答以下问题。

A. 杆件单位长度的纵向变形为()。(单选题)

B. 横截面积相等、材料不同的两等截面直杆,承受相同的轴向拉力,则两杆的()。(单选题)

C. 杆件运用截面法求内力的步骤可分为()。(多选题)

D. 脆性材料破坏前毫无预兆,突然断裂,令人措手不及。(判断题)

点击查看答案

第9题

下列有关静定平面桁架内力的基本概念描述中,描述不正确的是()

A. 桁架是由链杆组成的格构体系,当荷载仅作用在结点上时,杆件仅承受轴向力,截面上只有均匀分布的正应力。

B. 桁架是由链杆组成的格构体系,当荷载作用在结点和链杆上时,杆件仅承受轴向力,截面上只有均匀分布的正应力。

C. 一般平面桁架内力分析利用截面法,由于杆件仅承受轴向力,因此可利用平衡关系式求解内力。

D. 桁架是由链杆组成的格构体系,当荷载仅作用在结点上时,是最理想的一种结构形式。

点击查看答案

第10题

下列叙述中,正确的选项是()。

A. 材料力学研究的构件主要是杆件

B. 杆件沿垂直于长度方向的截面为横截面,杆件各横截面形心的连线称为轴线

C. 材料力学研究的杆件大多是等截面直杆

D. 结构力学研究的杆件,要求纵向尺寸要比横向尺寸大得多

E. 杆件各横截面中心的连线称为轴线

点击查看答案

第11题

下列结论不正确的是()。

A. 杆件某截面上的内力是该截面上应力的代数和

B. 杆件某截面上的应力是该截面上内力的平均值

C. 应力是内力的集度

D. 内力必大于应力

E. 垂直于截面的力称为正应力

点击查看答案

第12题

下列关于杆件截面内力和应力的说法,不正确的是()。

A. 杆件某截面上的内力是该截面上应力的代数和

B. 杆件某截面上的应力是该截面上内力的平均值

C. 应力是内力的集度

D. 内力必大于应力

E. 垂直于截面的力称为正应力

点击查看答案

第13题

关于静定平面桁架内力,下列说法错误的是()。

A. 桁架的组成部分有上弦杆、下弦杆、腹杆

B. 截面上只有均匀分布的切应力

C. 用截面法进行内力分析

D. 理想桁架的杆件都是二力杆

点击查看答案

第14题

以气体放电灯为主要负荷的三相四线电路中,中性线截面不应小于()。

A. 相线截面

B. 相线截面的2/3

C. 相线截面的1/2

D. 相线截面的1/3

点击查看答案

第15题

下列有关杆件的描述中,描述不正确的是()。

A. 所谓杆件,是指长度远大于其他两个方向尺寸的构件。

B. 杆件的形状和尺寸可由杆的横截面和轴线两个主要几何元素来描述。

C. 杆的各个截面的形心的连线叫轴线,垂直于轴线的截面叫横截面。

D. 轴线为直线的杆称为等值杆。

点击查看答案

第16题

关于桁架的特点,说法不正确的是()。

A. 理想桁架是由链杆组成的格构体系,桁架各杆件的内力仅承受轴向力

B. 桁架各杆件横截面的应力分布均匀,使材料能得到充分利用

C. 桁架各杆件横截面上受力分布不均匀,构件的材料不能得到充分的利用

D. 桁架结构自重减轻,在大跨度结构中广泛应用

点击查看答案

第17题

背景:B安装公司承建某商业大楼的机电工程,其施工方案中涉及到一根长度为20米的钢梁安装,施工期间运用杆件的相关知识,对该钢梁进行了设计计算,确保其强度、刚度以及稳定性符合相关技术要求,在制作时采取合理加工工艺,最后取得安全实用、经济可靠的效果,以下反映了技术人员的相关知识水平。根据背景资料,回答下列1~4问题。

A. 构件在外力的作用下抵抗弹性变形的能力称为()。

B. 为了提高压杆的稳定性,关于中长压杆,尽量避免选用()材料。

C. 关于正应力计算公式σ=N/A的适用条件,正确的是()。

D. 受压直杆的破坏,仅取决于直杆的受压缩程度。

点击查看答案

第18题

背景B安装公司承建某商业大楼的机电工程,其吊装施工方案中要正确应用杆件相关知识,制作中采取合理工艺,最后取得安全实用、经济可靠的效果,以下内容反映了技术人员的相关知识水平。请回答以下问题。

A. 杆件单位长度的纵向变形为()。

B. 横截面积相等、材料不同的两等截面直杆,承受相同的轴向拉力,则两杆的()。

C. 杆件运用截面法求内力的步骤可分为()。

D. 脆性材料破坏前毫无预兆,突然断裂,令人措手不及。

点击查看答案

第19题

背景:B安装公司承建某商业大楼的机电工程,部分空调机组需要吊装,在吊装施工方案中要使用2根6米长的工字钢,为了保证吊装作业的顺利进行,相关技术人员,正确应用杆件的力学知识,设计制作中采取合理工艺,最后取得安全实用、经济可靠的效果,以下内容反映了技术人员的相关知识水平。根据背景资料,回答下列1~4问题。

A. 杆件单位长度的纵向变形为()。

B. 横截面积相等、材料不同的两等截面直杆,承受相同的轴向拉力,则两杆的()。

C. 杆件运用截面法求内力的步骤可分为()。

D. 脆性材料破坏前毫无预兆,突然断裂,令人措手不及。

点击查看答案

第20题

对于在弹性范围内受力的拉(压)杆,以下说法中,()是正确的。

A. 长度相同、受力相同的杆件,抗拉(压)刚度越大,轴向变形越小

B. 材料相同的杆件,正应力越大,轴向正应变也越大

C. 杆件受力相同,横截面面积相同但形状不同,其横截面上轴力相等

D. 正应力是由于杆件所受外力引起的,故只要所受外力相同,正应力也相同

E. 质地相同的杆件,应力越大,应变也越大

点击查看答案

第21题

下列关于应力与应变的关系,哪一项是正确的()。

A. 杆件的纵向变形总是与轴力及杆长成正比,与横截面面积成反比

B. 由胡克定律可知,在弹性范围内,应力与应变成反比

C. 实际剪切变形中,假设剪切面上的切应力是均匀分布的

D. Ip指抗扭截面系数,WP称为截面对圆心的极惯性矩

点击查看答案

第22题

下列关于应力与应变的关系,哪一项是正确的()。

A. 杆件的纵向变形总是与轴力及杆长成正比,与横截面面积成反比

B. 由胡克定律可知,在弹性范围内,应力与应变成反比

C. 实际剪切变形中,假设剪切面上的切应力是均匀分布的

D. Ip指极惯性矩,WP称为截面对圆心的抗扭截面系数

点击查看答案

第23题

下面关于等截面直杆,叙述正确的是()。

A. 等截面直杆的内力最大的横截面,其正应力最小

B. 等截面直杆的内力最大的横截面,其正应力最大

C. 对于等截面直杆,内力最大的横截面是危险截面

D. 对于等截面直杆,内力最大的横截面不是危险截面

E. 等截面直杆的内力最大的横截面,可能是危险截面也可能不是危险截面

点击查看答案

第24题

下列结论不正确的是()。

A. 杆件某截面上的内力是该截面上应力的代数和

B. 杆件某截面上的应力是该截面上内力的平均值

C. 应力是内力的集度

D. 内力必大于应力

E. 垂直于截面的力称为正应力

点击查看答案

第25题

下列结论不正确的是()。

A. 杆件某截面上的内力是该截面上应力的代数和

B. 杆件某截面上的应力是该截面上内力的平均值

C. 应力是内力的集度

D. 内力必大于应力

E. 垂直于截面的力称为正应力

点击查看答案

第26题

正应力计算公式δ=N/A的适用条件包括()。

A. 杆件必须是等直杆

B. 杆件必须是等截面杆体

C. 杆件必须是等截面直杆

D. 外力作用线必须与杆轴线相垂直

E. 外力作用线必须与杆轴线相重合

点击查看答案

第27题

1kV五芯(3+2)聚氯乙烯绝缘电力电缆,3指3根相线,2指2根N线。()

A. 正确

B. 错误

点击查看答案

第28题

图中剖切符号,分别是在()轴线间的1-1剖切符号和2-2剖切符号。剖面图类型均为全剖面图,剖视方向向左。

A. ④

B. ⑤

C. ③

D. ⑥

E. ⑦

点击查看答案

第29题

1kV五芯(3+2)聚氯乙烯绝缘电力电缆,3指3根相线,2指()。

A. 2根相线

B. 1根N线和1根P

C. 线(地线)

点击查看答案

第30题

在建筑力学中主要研究等截面直杆。

A. 正确

B. 错误

点击查看答案

第31题

对于在弹性范围内受力的拉(压)杆,以下说法中,()是正确的。

A. 长度相同、受力相同的杆件,抗拉(压)刚度越大,轴向变形越小

B. 材料相同的杆件,正应力越大,轴向正应变也越大

C. 杆件受力相同,横截面面积相同但形状不同,其横截面上轴力相等

D. 正应力是由于杆件所受外力引起的,故只要所受外力相同,正应力也相同

E. 质地相同的杆件,应力越大,应变也越大

点击查看答案

第32题

对于在弹性范围内受力的拉(压)杆,以下说法中,()是正确的。

A. 长度相同、受力相同的杆件,抗拉(压)刚度越大,轴向变形越小

B. 材料相同的杆件,正应力越大,轴向正应变也越大

C. 杆件受力相同,横截面面积相同但形状不同,其横截面上轴力相等

D. 正应力是由于杆件所受外力引起的,故只要所受外力相同,正应力也相同

E. 质地相同的杆件,应力越大,应变也越大

点击查看答案

第33题

某项目组成甲、乙、丙、丁共4个专业队在5个施工段上进行无节奏流水施工,各队的流水节拍分别是:甲队为3、5、3、2、2周,乙队为2、3、l、4、5周,丙队为4、l、3、2、5周,丁队为5、3、4、2、l周,该项目总工期为()周。

A. 3l

B. 30

C. 26

D. 24

点击查看答案

第34题

在某工程网络计划中,工作M的最早开始时间和最迟开始时间分别为第15天和第18天,其持续时间为7天。工作M有2项紧后工作,它们的最早开始时间分别为第24天和第26天,则工作M的总时差和自由时差()。

A. 分别为4和3

B. 均为3

C. 分别为3和2

D. 均为2

点击查看答案

第35题

在建筑力学中主要研究等直杆。()

A. 正确

B. 错误

点击查看答案

第36题

在建筑力学中主要研究等截面直杆。

A. 正确

B. 错误

点击查看答案

第37题

在建筑力学中主要研究等直杆。

A. 正确

B. 错误

点击查看答案

第38题

计算内力一般采用()方法。

A. 受力杆件的静力平衡方程

B. 直接由外力确定

C. 截面法

D. 胡克定理

点击查看答案

第39题

下列关于应力与应变的关系,哪一项是正确的()。

A. 杆件的纵向变形总是与轴力及杆长成正比,与横截面面积成反比

B. 由胡克定律可知,在弹性范围内,应力与应变成反比

C. 实际剪切变形中,假设剪切面上的切应力是均匀分布的

D. IP指抗扭截面系数,WP称为截面对圆心的极惯性矩

点击查看答案

第40题

下列关于应力与应变的关系,哪一项是正确的()。

A. 杆件的纵向变形总是与轴力及杆长成正比,与横截面面积成反比

B. 由胡克定律可知,在弹性范围内,应力与应变成反比

C. 实际剪切变形中,假设剪切面上的切应力是均匀分布的

D. IP指抗扭截面系数,WP称为截面对圆心的极惯性矩

点击查看答案

第41题

下列关于应力与应变的关系,哪一项是不正确的()。

A. 杆件的纵向变形总是与轴力及杆长成正比,与横截面面积成反比

B. 由胡克定律可知,在弹性范围内,应力与应变成正比

C. 实际剪切变形中,假设剪切面上的切应力是均匀分布的

D. IP指抗扭截面系数,WP称为截面对圆心的极惯性矩

点击查看答案

第42题

图示简支梁C、D截面处的弯矩分别是()。(下侧受拉为正)

A. M/2,M/2

B. -M/2,-M/2

C. -M/2,M/2

D. M/M

点击查看答案

第43题

无论等截面直杆还是变截面直杆,轴力最大的截面为危险截面。

A. 正确

B. 错误

点击查看答案

第44题

下列关于应用截面法的叙述,错误的是()。

A. 应用截面法只能求得截面上内力的合力,要想确定截面任意点的应力,必须了解内力在截面上的分布情况

B. 应力的分布规律与杆件的变形无关

C. 应力的分布规律与杆件的变形有关

D. 应用截面法可以确定截面上任意一点的应力,而无需了解内力在截面上的分布情况

E. 以上都正确

点击查看答案

第45题

杆件产生剪切变形时,其受力特点是()。。

A. 杆件沿轴线方向拉伸或压缩

B. 杆轴由直线变成曲线

C. 杆件的各横截面将绕轴线产生相对转动

D. 杆件介于两力之间的截面沿外力作用方向产生相对错动变形

点击查看答案

第46题

下列叙述正确的有()。

A. 杆件的强度是指杆件具有的抵抗破坏的能力

B. 杆件的刚度是指杆件具有抵抗变形的能力

C. 杆件的稳定性是指杆件具有保持原有平衡状态的能力

D. 应力就是受力物体截面上内力的集度

E. 应变是单位面积上的内力

点击查看答案

第47题

轴向拉、压杆,由截面法求得同一截面的左、右两部分的轴力,则两轴力大小相等,而()。

A. 方向相同,符号相同

B. 方向相反,符号相同

C. 方向相同,符号相反

D. 方向相反,符号相反

点击查看答案

第48题

轴向拉、压杆,由截面法求得同一截面的左、右两部分的轴力,则两轴力大小相等,而()。

A. 方向相同,符号相同

B. 方向相反,符号相同

C. 方向相同,符号相反

D. 方向相反,符号相反

点击查看答案

第49题

轴向拉、压杆,由截面法求得同一截面的左、右两部分的轴力,则两轴力大小相等,而()。

A. 方向相同,符号相同

B. 方向相反,符号相同

C. 方向相同,符号相反

D. 方向相反,符号相反

点击查看答案

第50题

下图为某建筑施工现场高处作业吊篮安装情况,按照相关标准规范要求,结合图片信息,下列说法正确的是:()

A. 图1的悬挑横梁开裂,图2和图3的连接螺栓未安装齐全,均影响吊篮使用安全。

B. 图2缺少的连接螺栓,可采用圆钢制作销轴代替;图3采取相应补强措施,满足安全要求。

C. 图1.图2连接螺栓未装垫圈,吊篮结构件各连接螺栓应齐全.紧固,并应有防松措施。

D. 高处作业吊篮所用的构配件应是同一厂家的产品。

E. 图2的悬挂机构前支架应与支撑面保持垂直,脚轮不得受力。

点击查看答案
下载安全员考试通APP
相关试题 全部 >
某公司承接某公寓工程,建筑面积约31225㎡,地下2层,为人防和车库,地上十三层,1~3层为公共建筑,4层以上为住宅。基础类型为带柱帽式筏形基础,主体为框架-剪力墙结构。结构跨度大,结构形式复杂,钢筋采用HPB235级和HRB335级,钢筋接头采用绑扎、气压焊,地下混凝土采用C35级,地上混凝土采用C30级和C25级。根据背景资料,回答下列1~4问题。 某施工单位参加综合楼工程的投标,根据业主提供的施工图纸和工程量清单进行报价并中标,该工程采用固定单价合同,施工中,工程量清单给出的基础垫层工程量为180m³,而根据施工图纸计算的垫层工程量为185m³。根据背景资料,回答下列1~4问题。 某住宅小区共6栋住宅楼,均为地下两层,地上20层。总建筑面积约10万㎡,其中2层以下结构采用现浇剪力墙结构,3层及以上采用装配整体式混凝土剪力墙结构,构件之间的节点采用现场二次浇筑的办法。楼面采用PK预应力混凝土叠合板,外墙采用预制夹芯保温板,室内承重墙采用预制剪力墙板、内墙为整体轻质墙板,楼梯为预制楼梯。总工期200天。根据背景资料,回答下列4个问题。 某雨水量较小地区的办公楼,采用墙柱混合承重方式,室外设散水、台阶和勒脚,墙身做防潮处理,正立面采用玻璃幕墙。根据下列资料,回答下列问题。 识读钢梁钢柱接头,回答下列1~4问题。 某屋面工程,采用改性沥青防水卷材防水,第21层屋面有冷却塔,屋面上风管穿过幕墙,风管与出屋面的通风道连接。根据背景资料,回答下列1~4问题。 【背景】识读图示KL2梁结构施工图的集中标注内容,回答下列1~4问题。集中标注:KL2(2A)300x650Φ8@100/200(2)2925G4ф10(-0.10()原位标注:2025+292269274925492569251/221492542916二西Φ8@100(2)。 某装配式混凝土结构工程施工,施工单位安排如下:生产经理对PC施工质量、安全、协调总负责。该工程叠合梁的跨度为4.5米,在叠合梁落位后检查,发现叠合梁有偏移。根据背景资料,回答下列四个问题。 建筑图例一般包括建筑构配件、卫生设备、建筑材料等图例,其使用是为了作图方便。 施工层标高的传递,宜采用悬挂钢尺代替水准尺的水准测量方法进行。
重置密码
账号:
旧密码:
新密码:
确认密码:
确认修改
购买搜题卡查看答案
购买前请仔细阅读《购买须知》
请选择支付方式
微信支付
支付宝支付
选择优惠券
优惠券
请选择
点击支付即表示你同意并接受《服务协议》《购买须知》
立即支付
搜题卡使用说明

1. 搜题次数扣减规则:

功能 扣减规则
基础费
(查看答案)
加收费
(AI功能)
文字搜题、查看答案 1/每题 0/每次
语音搜题、查看答案 1/每题 2/每次
单题拍照识别、查看答案 1/每题 2/每次
整页拍照识别、查看答案 1/每题 5/每次

备注:网站、APP、小程序均支持文字搜题、查看答案;语音搜题、单题拍照识别、整页拍照识别仅APP、小程序支持。

2. 使用语音搜索、拍照搜索等AI功能需安装APP(或打开微信小程序)。

3. 搜题卡过期将作废,不支持退款,请在有效期内使用完毕。

请使用微信扫码支付(元)
订单号:
遇到问题请联系在线客服
请不要关闭本页面,支付完成后请点击【支付完成】按钮
遇到问题请联系在线客服
恭喜您,购买搜题卡成功 系统为您生成的账号密码如下:
重要提示: 请勿将账号共享给其他人使用,违者账号将被封禁。
发送账号到微信 保存账号查看答案
怕账号密码记不住?建议关注微信公众号绑定微信,开通微信扫码登录功能
警告:系统检测到您的账号存在安全风险

为了保护您的账号安全,请在“上学吧”公众号进行验证,点击“官网服务”-“账号验证”后输入验证码“”完成验证,验证成功后方可继续查看答案!

- 微信扫码关注上学吧 -
警告:系统检测到您的账号存在安全风险
抱歉,您的账号因涉嫌违反上学吧购买须知被冻结。您可在“上学吧”微信公众号中的“官网服务”-“账号解封申请”申请解封,或联系客服
- 微信扫码关注上学吧 -
请用微信扫码测试
选择优惠券
确认选择
谢谢您的反馈

您认为本题答案有误,我们将认真、仔细核查,如果您知道正确答案,欢迎您来纠错

找答案