• 首页
  • 安卓App
    安卓App二维码

    扫码下载安卓App

  • 苹果App
    苹果App二维码

    扫码下载苹果App

  • 微信小程序
    微信小程序二维码

    扫码使用小程序

  • 客服微信
    微信客服二维码

    扫码添加客服微信

  • 登录
  • 注册
[切换]
  • 首页
  • 找答案
  • 题库
  • APP
选择地区 ×
选择专业 ×
当前选择地区:北京 更改地区
2025年11月14日材料员历年真题-安全员考试通
单选题
1 以材料采购预算成本为基础,与实际采购成本相比较,核算成本降低或超耗程度称作()。
添加笔记 (0条)
收藏
纠错
标记
2 在施工项目安全控制的措施中,应制定本项目的安全组织措施,下列选项中不是安全组织措施的是()。
添加笔记 (0条)
收藏
纠错
标记
3 安全事故发生后,下列行为正确的是()。
添加笔记 (0条)
收藏
纠错
标记
4 冷拔低碳钢丝是用普通碳素钢热轧盘条钢筋在()下冷拔加工而成。
添加笔记 (0条)
收藏
纠错
标记
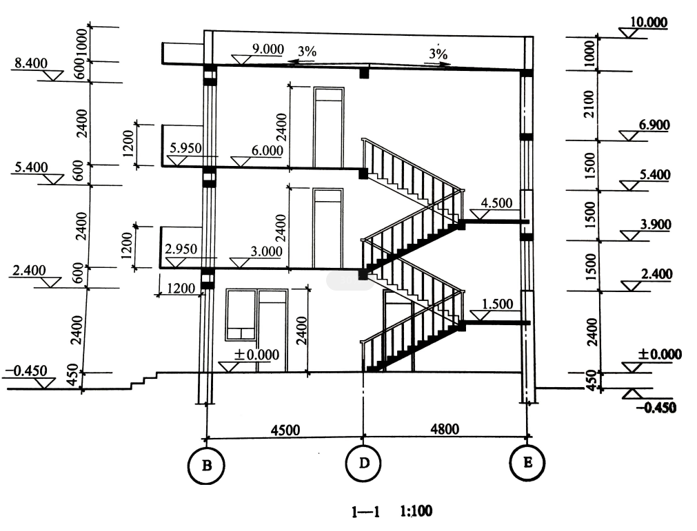
5 如下图所示,该建筑室内外高差为()。
添加笔记 (0条)
收藏
纠错
标记
6 施工机具按使用方式和保管范围可分为()。
添加笔记 (0条)
收藏
纠错
标记
7 不同材质的安全帽有效期不同,塑料安全帽的有效期限是()年。
添加笔记 (0条)
收藏
纠错
标记
8 模板按()分类,可分为固定式模板,装拆式模板,永久性模板等。
添加笔记 (0条)
收藏
纠错
标记
9 固定端支座有()个支座反力。
添加笔记 (0条)
收藏
纠错
标记
10 施工现场向人们提供某种信息(如标明安全设施或场所等)的图形标志是()。
添加笔记 (0条)
收藏
纠错
标记
11 施工中发生事故时,()应当采取紧急措施减少人员伤亡和事故损失,并按照国家有关规定及时向有关部门报告。
添加笔记 (0条)
收藏
纠错
标记
12 处理机场跑道、水工结构等工程的地基时,比较适合的施工方法是()。
添加笔记 (0条)
收藏
纠错
标记
13 施工项目安全控制的技术措施,共包括()个阶段的技术措施。
添加笔记 (0条)
收藏
纠错
标记
14 企业定额是指施工企业根据自身具体情况,参照()定额的水平制定的。
添加笔记 (0条)
收藏
纠错
标记
15 防水卷材铺贴时,必须根据所用胶粘剂的使用说明和要求,控制()。
添加笔记 (0条)
收藏
纠错
标记
16 高处作业周边部位应设置警示标志,夜间挂有()。
添加笔记 (0条)
收藏
纠错
标记
17 不上人吊顶,吊杆长度小于1000mm,吊杆应选用直径为()的钢筋。
添加笔记 (0条)
收藏
纠错
标记
18 用于支付必然要发生但暂时不能确定价格的材料金额为()
添加笔记 (0条)
收藏
纠错
标记
19 未经()签字,建设单位不拨付工程款,不进行竣工验收。
添加笔记 (0条)
收藏
纠错
标记
20 材料收发管理应遵循的原则是()
添加笔记 (0条)
收藏
纠错
标记
21 下列哪一项是正确的()。
添加笔记 (0条)
收藏
纠错
标记
22 项目部机管员每月定期对本项目部的机械设备进行()检查,并将检查资料整理归档后备查。
添加笔记 (0条)
收藏
纠错
标记
23 C类储备材料的采购方式通常为()。
添加笔记 (0条)
收藏
纠错
标记
24 屋面防水分为()等级。
添加笔记 (0条)
收藏
纠错
标记
25 加强工程施工废弃物的回收再利用,对于碎石类、土石方类工程施工废弃物,可采用地基处理、铺路等方式提高再利用率,其再生利用率应大于()。
添加笔记 (0条)
收藏
纠错
标记
26 下列属于材料入库凭证的是()。
添加笔记 (0条)
收藏
纠错
标记
27 终止是因法律规定的原因或当事人约定的原因出现时,合同所规定的当事人双方的权利义务关系归于消灭的状况。下列选项中,不属于终止的是()
添加笔记 (0条)
收藏
纠错
标记
28 当工程结算时,建筑企业应审核单价是否符合国家或地方规定的价格,如无规定的,应按()结算。
添加笔记 (0条)
收藏
纠错
标记
29 危险源所涉及的危险和有害因素中,安全管理组织机构不健全、安全责任制未落实等属于()。
添加笔记 (0条)
收藏
纠错
标记
30 施工项目经理检查施工进度时,发现施工进度滞后是由于其自身材料采购的原因造成的,则为纠正进度偏差可以采取的组织措施是()
添加笔记 (0条)
收藏
纠错
标记
31 划分材料采购环节与材料保管环节责任的分界线是()。
添加笔记 (0条)
收藏
纠错
标记
32 分部分项工程清单项目矩形柱的计量单位是()。
添加笔记 (0条)
收藏
纠错
标记
33 平面内一个刚片有()个自由度。
添加笔记 (0条)
收藏
纠错
标记
34 要求工程项目材料人员必须与业主方配合才能完成材料采购任务的采购方式是()
添加笔记 (0条)
收藏
纠错
标记
35 《合同法》规定有下列情形()为可变更合同。
添加笔记 (0条)
收藏
纠错
标记
36 等轴力杆的强度校核公式为()。
添加笔记 (0条)
收藏
纠错
标记
37 对机械配件和加工材料的计划、储存、订购、贸易和供应工作进行管理,统称机械设备的()。
添加笔记 (0条)
收藏
纠错
标记
38 在网络计划中,自由时差和总时差都是可以利用的机动时间,若计算工期等于计划工期,那么()。
添加笔记 (0条)
收藏
纠错
标记
39 乙级冷拔低碳钢丝以同直径5t为一批任选()盘检验。
添加笔记 (0条)
收藏
纠错
标记
40 工程项目竣工成本综合分析是以()为成本核算对象进行的。
添加笔记 (0条)
收藏
纠错
标记
多选题
41 基坑开挖时,应对()等经常复测检查。
添加笔记 (0条)
收藏
纠错
标记
42 下列选项属于建筑行业从业人员的权利的有()。
添加笔记 (0条)
收藏
纠错
标记
43 下列哪项是正确的。()
添加笔记 (0条)
收藏
纠错
标记
44 刚体平衡的充分与必要条件是:
添加笔记 (0条)
收藏
纠错
标记
45 跨度6m梁,采用组合钢模板搭设,若底模板起拱高度设计无具体规定时,可取()mm。
添加笔记 (0条)
收藏
纠错
标记
46 关于薄壁圆管的变形规律,以下正确的包括()。
添加笔记 (0条)
收藏
纠错
标记
47 交付竣工验收的建筑工程,必须符合规定的建筑工程质量标准,有(),并具备国家规定的其他竣工条件。
添加笔记 (0条)
收藏
纠错
标记
48 《安全生产法》第十七条规定,生产经营单位的主要负责人对本单位安全生产工作负有以下责任()。
添加笔记 (0条)
收藏
纠错
标记
49 大体积混凝土施工可选用()。
添加笔记 (0条)
收藏
纠错
标记
50 《建筑法》规定,交付竣工验收的建筑工程必须符合()。
添加笔记 (0条)
收藏
纠错
标记
判断题
51 电梯井内的施工层上部,可以不设置隔离防护设施。
添加笔记 (0条)
收藏
纠错
标记
52 光滑接触面约束的摩擦力很小,可以忽略不计。
添加笔记 (0条)
收藏
纠错
标记
53 一般情况下,当社会资源比较丰富,甚至供大于求,企业材料的采购权、管理权不宜过于集中,否则会增加企业不必要的管理层次。
添加笔记 (0条)
收藏
纠错
标记
54 材料管理系统的加密锁分为两种,LPT加密锁插在计算机的USB口上。
添加笔记 (0条)
收藏
纠错
标记
55 铝合金制品主要有铝合金门窗、铝合金装饰板。
添加笔记 (0条)
收藏
纠错
标记
56 柔性软风管安装工程量按设计图示内径尺寸以展开面积计算。
添加笔记 (0条)
收藏
纠错
标记
57 安全管理的对象是生产中一切人、物、环境、管理状态,安全管理是一种动态管理。
添加笔记 (0条)
收藏
纠错
标记
58 雷管、氧气瓶属于第一类危险源。()
添加笔记 (0条)
收藏
纠错
标记
59 控制图是典型的质量动态分析法。()
添加笔记 (0条)
收藏
纠错
标记
60 最基本的材料计划是材料需用计划。()
添加笔记 (0条)
收藏
纠错
标记
61 概算指标是概算定额的扩大与合并。()
添加笔记 (0条)
收藏
纠错
标记
62 材料脱离了制造生产过程,进入到再生产消耗过程统称为材料储备。()
添加笔记 (0条)
收藏
纠错
标记
63 材料季度计划是年度计划的滚动计划和分解计划。()
添加笔记 (0条)
收藏
纠错
标记
64 仓库按储存材料种类分,可分为综合性仓库和普通性仓库。()
添加笔记 (0条)
收藏
纠错
标记
65 施工项目管理组织机构形式中工作队式项目组织适用于大型项目、工期要求紧,要求多工种,多部门密切配合的项目。()
添加笔记 (0条)
收藏
纠错
标记
66 时间参数主要包括流水节拍、流水步距与施工段数。()。
添加笔记 (0条)
收藏
纠错
标记
67 采用竞争性谈判方式采购,则要求采购人与不少于三家供应商进行谈判,确定成交供应商。()
添加笔记 (0条)
收藏
纠错
标记
68 砂浆的保水性用砂浆含水率表示。()
添加笔记 (0条)
收藏
纠错
标记
69 防水砂浆防水层通常称为刚性防水层,是依靠增加防水层厚度和提高砂浆层的密实性来达到防水要求。()
添加笔记 (0条)
收藏
纠错
标记
70 轻骨料的细度模数宜在2.3~4.0范围内。()
添加笔记 (0条)
收藏
纠错
标记
案例题
00:00:27
暂停
休息一下...
继续做题
答题卡
0 / 74
单选题 (共40 题)
  • 1
  • 2
  • 3
  • 4
  • 5
  • 6
  • 7
  • 8
  • 9
  • 10
  • 11
  • 12
  • 13
  • 14
  • 15
  • 16
  • 17
  • 18
  • 19
  • 20
  • 21
  • 22
  • 23
  • 24
  • 25
  • 26
  • 27
  • 28
  • 29
  • 30
  • 31
  • 32
  • 33
  • 34
  • 35
  • 36
  • 37
  • 38
  • 39
  • 40
多选题 (共10 题)
  • 41
  • 42
  • 43
  • 44
  • 45
  • 46
  • 47
  • 48
  • 49
  • 50
判断题 (共20 题)
  • 51
  • 52
  • 53
  • 54
  • 55
  • 56
  • 57
  • 58
  • 59
  • 60
  • 61
  • 62
  • 63
  • 64
  • 65
  • 66
  • 67
  • 68
  • 69
  • 70
案例题 (共4 题)
  • 71
  • 72
  • 73
  • 74
未做
已做
标记
保存进度
交卷
提交纠错
请填入您发现的错误详情,或输入您对该题的评论或意见
您正在结束作答
您还有100道题未作答,是否确定交卷?
确定交卷 下次继续
警告:系统检测到您的账号存在安全风险

为了保护您的账号安全,请输入手机验证码后,完成身份验证。通过后方可继续刷题!

账号:
手机号:
短信验证码: 获取验证码
确认
若遇到问题,请 联系客服

试卷生成中,请等待

获取试卷失败

抱歉!

返回

你无该试卷的权限

购买题库
关于我们  |  免责声明  |  网站导航  |  帮助中心  |  联系我们
违法和不良信息举报/反馈/投诉邮箱:weilaiyunling@163.com
版权所有  ©2025 津ICP备2024020020号-1