• 首页
  • 安卓App
    安卓App二维码

    扫码下载安卓App

  • 苹果App
    苹果App二维码

    扫码下载苹果App

  • 微信小程序
    微信小程序二维码

    扫码使用小程序

  • 客服微信
    微信客服二维码

    扫码添加客服微信

  • 登录
  • 注册
[切换]
  • 首页
  • 找答案
  • 题库
  • APP
选择地区 ×
选择专业 ×
当前选择地区:北京 更改地区
2025年12月06日质量员(设备安装)历年真题-安全员考试通
单选题
1 某城区有农民、工人、知识分子家庭共计2000家,其中农民家庭1800户,工人家庭100户。现要从中抽取容量为40的样本,调查家庭收人情况,则在整个抽样过程中,用到的抽样方法有()。
添加笔记 (0条)
收藏
纠错
标记
2 质量缺陷识别时,要求采用技术手段和检查人员的感官进行科学客观的度量,是指()。
添加笔记 (0条)
收藏
纠错
标记
3 特种设备中升降机的最小额定起重量为()t。
添加笔记 (0条)
收藏
纠错
标记
4 组成工程实体的工艺设备和各类机具是指()。
添加笔记 (0条)
收藏
纠错
标记
5 建筑施工处于高度超过()米的悬空作业,必须系好安全带。
添加笔记 (0条)
收藏
纠错
标记
6 质量因素人的控制中的人是指()。
添加笔记 (0条)
收藏
纠错
标记
7 水泥受潮、过期、结块,砂石含泥量及有害物含量超标,外加剂掺量等不符合要求时,会影响混凝土强度、和易性、密实性、抗渗性,从而导致混凝土结构强度不足、裂缝、渗漏而导致工程质量缺陷或事故的原因是()。
添加笔记 (0条)
收藏
纠错
标记
8 以下不属于建设行业的职业道德特点的是()
添加笔记 (0条)
收藏
纠错
标记
9 计量检定必须按照国家计量检定系统表进行即按照《计量法》第()条。
添加笔记 (0条)
收藏
纠错
标记
10 电线导管连接时,可不用铜芯软线做跨接接地的连接方式是()。
添加笔记 (0条)
收藏
纠错
标记
11 下列()符合接地装置采用扁钢与扁钢搭接焊的规定。
添加笔记 (0条)
收藏
纠错
标记
12 在下列建设法规体系中,()的法律地位和效力最高。
添加笔记 (0条)
收藏
纠错
标记
13 应急响应系统检测应按设计要求逐项进行功能检测。检测结果符合()的应判定为合格。
添加笔记 (0条)
收藏
纠错
标记
14 下列关于VRV系统叙述错误的是()。
添加笔记 (0条)
收藏
纠错
标记
15 设总体中含有5个个体,按照不放回简单随机抽样的方式抽取2个,则所有可能的样本有()个。
添加笔记 (0条)
收藏
纠错
标记
16 根据已确定的自行式起重机的幅度、臂长,查特性曲线,确定其()。
添加笔记 (0条)
收藏
纠错
标记
17 在宽度小于3m的内走道顶棚上设置探测器时,宜()布置。
添加笔记 (0条)
收藏
纠错
标记
18 DD表示焊接钢管、阀门及管件的()。
添加笔记 (0条)
收藏
纠错
标记
19 在正常使用情况下,装修工程的最低保修期限为()。
添加笔记 (0条)
收藏
纠错
标记
20 设计说明书是()的必要补充,主要是对图样中未能表达清楚的内容加以详细说明。
添加笔记 (0条)
收藏
纠错
标记
21 流体的热胀性是指当空气的压强保持不变时,空气的体积随着温度的升高而()。
添加笔记 (0条)
收藏
纠错
标记
22 特种设备中的压力管道的压力范围是最高工作压力大于或等于()MPA。
添加笔记 (0条)
收藏
纠错
标记
23 按()施工,是保证工程实现设计意图的前提,也是明确划分设计、施工单位质量责任的前提。
添加笔记 (0条)
收藏
纠错
标记
24 为了整齐反映接地电阻值,通常要测量至少()次,取平均值。
添加笔记 (0条)
收藏
纠错
标记
25 该建筑工程公司违反了《建设工程安全生产管理条例》相关规定,必须承担的法律责任不包括()。
添加笔记 (0条)
收藏
纠错
标记
26 PP-R管在各配水点、受力点、穿墙只管节点等处,均应有()或支架固定。
添加笔记 (0条)
收藏
纠错
标记
27 中水管道不宜暗装于(),如必须暗装于墙槽内时,必须在管道上有明显且不会脱落的标志。
添加笔记 (0条)
收藏
纠错
标记
28 热水供应系统安装完毕,在管道保温前应进行水压试验。当设计未注明试验压力时,试验压力应为系统顶点的工作压力加0.IMPa,同时在系统顶点的试验压力不小于()MPa。
添加笔记 (0条)
收藏
纠错
标记
29 在二极管加反向电压时,会形成()的反向电流,且反相电压不超过某一范围时,反向电流大小()。
添加笔记 (0条)
收藏
纠错
标记
30 风管的风量采用()进行测量
添加笔记 (0条)
收藏
纠错
标记
31 材料在某一固定应力和()温度下,随着时间的增长,()将缓慢增大,这种现象称为蠕变。
添加笔记 (0条)
收藏
纠错
标记
32 (),变形集中在试件某一较弱的局部区域,该区域截面逐渐收缩。
添加笔记 (0条)
收藏
纠错
标记
33 施工阶段质量控制的目标是()。
添加笔记 (0条)
收藏
纠错
标记
34 停止点的概念:所有的()。
添加笔记 (0条)
收藏
纠错
标记
35 不属于建筑电气工程()
添加笔记 (0条)
收藏
纠错
标记
36 下列器具中,用于工艺控制、质量检测及物资管理的计量器具是()。
添加笔记 (0条)
收藏
纠错
标记
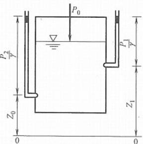
37 如图所示,两个测压管液面()。
添加笔记 (0条)
收藏
纠错
标记
38 两个同频率正弦交流电流i1、i2的有效值各为40A和30A。当i1+i2的有效值为50A时,i1与i2的相位差是()。
添加笔记 (0条)
收藏
纠错
标记
39 机电工程项目联动试运行应由()组织,并负责试运行方案的编制。
添加笔记 (0条)
收藏
纠错
标记
40 建筑给水系统按供水对象,可分为生活、生产、()三类基本的给水系统。
添加笔记 (0条)
收藏
纠错
标记
多选题
41 液体内部向任何方向都有压强,压强与深度的关系为()。
添加笔记 (0条)
收藏
纠错
标记
42 下列选项属于建设工程领域行政处罚的有()。
添加笔记 (0条)
收藏
纠错
标记
43 系统安装完成后,应在供暖期内与热源联合试运转和调试。联合试运转和调试结果应符合设计要求,供暖房间温度相对于设计计算温度不得低于(),且不高于()。
添加笔记 (0条)
收藏
纠错
标记
44 灯具按安装方式分,一般可分为()。
添加笔记 (0条)
收藏
纠错
标记
45 下列关于排列图法,说法正确的有()。
添加笔记 (0条)
收藏
纠错
标记
46 下列属于设计单位的主要安全责任的是()。
添加笔记 (0条)
收藏
纠错
标记
47 电气设备、器具和材料的电压应按()划分区段。
添加笔记 (0条)
收藏
纠错
标记
48 下列是制作支架用型钢电焊条外观质量检查内容的有()。
添加笔记 (0条)
收藏
纠错
标记
49 《建设建设质量管理条例》规定()依法对建设工程质量负责。
添加笔记 (0条)
收藏
纠错
标记
50 产品分为()。
添加笔记 (0条)
收藏
纠错
标记
判断题
51 屋顶层室内消火栓试射试验是检验系统的压力和流量,即充实水柱是否达到规定长度。
添加笔记 (0条)
收藏
纠错
标记
52 验收记录应经参与验收的人员签字确认,不合格通知单不需要。
添加笔记 (0条)
收藏
纠错
标记
53 安装在保温管道上的各类手动阀门,手柄均不得向上。
添加笔记 (0条)
收藏
纠错
标记
54 迹线表示同一时刻的许多质点的流动方向。
添加笔记 (0条)
收藏
纠错
标记
55 建筑智能化工程设备供电时,要求供电电源至少应为两路,并可在末端自动切换。
添加笔记 (0条)
收藏
纠错
标记
56 质量控制的对象是满足质量要求所采取的作业技术活动。
添加笔记 (0条)
收藏
纠错
标记
57 工程完成后应对低压配电系统进行调试,调试合格后应对低压配电电源运行进行检测。
添加笔记 (0条)
收藏
纠错
标记
58 在双代号网络图中工作之间相互制约或相互依赖的关系称为逻辑关系,它包括工艺关系和组织关系,在网络中均应表现为工作之间的先后顺序。()。
添加笔记 (0条)
收藏
纠错
标记
59 在双代号网络计划执行的过程中,关键线路不能转移。()。
添加笔记 (0条)
收藏
纠错
标记
60 用人单位违反劳动合同法规定解除或者终止劳动合同的,应当依照劳动合同法相关规定的经济补偿标准的3倍向劳动者支付赔偿金。
添加笔记 (0条)
收藏
纠错
标记
61 只要在保证安全的前提下,施工单位可以在尚未竣工的建筑物内设置员工集体宿舍
添加笔记 (0条)
收藏
纠错
标记
62 特种设备监督检验的主体由国家特种设备安全监督管理部门核准的检验检测机构承担。
添加笔记 (0条)
收藏
纠错
标记
63 卡箍式铸铁排水管的接口可以为柔性接口,也可以为非柔性接口,只要保证不漏即可以。
添加笔记 (0条)
收藏
纠错
标记
64 管道上使用冲压弯头时,所使用的冲压弯头外径与管道外径一致。
添加笔记 (0条)
收藏
纠错
标记
65 空气用的制冷系统常用的有蒸汽压缩式制冷系统、溴化锂吸收式制冷系统和蒸汽喷射式制冷系统。
添加笔记 (0条)
收藏
纠错
标记
66 母线槽通电运行前检查分接单兀插人时,接地触头应后于相线触头接触,且触头连接紧密,退出时,接地触头应先于相线触头脱开。
添加笔记 (0条)
收藏
纠错
标记
67 对于脆性材料构件,工作应力达到强度极限时,将引起断裂破坏。
添加笔记 (0条)
收藏
纠错
标记
68 项目的质量计划不能反映在施工组织设计中。
添加笔记 (0条)
收藏
纠错
标记
69 发生涉及结构安全的质量缺陷,建设单位或者房屋建筑所有人应当立即向当地建设行致主管部门报告,采取安全防范措施。
添加笔记 (0条)
收藏
纠错
标记
70 质量交底可以与技术交底同时进行,施工员不可邀请质量员共同参加对作业队组的质量交底工作。
添加笔记 (0条)
收藏
纠错
标记
案例题
00:00:27
暂停
休息一下...
继续做题
答题卡
0 / 74
单选题 (共40 题)
  • 1
  • 2
  • 3
  • 4
  • 5
  • 6
  • 7
  • 8
  • 9
  • 10
  • 11
  • 12
  • 13
  • 14
  • 15
  • 16
  • 17
  • 18
  • 19
  • 20
  • 21
  • 22
  • 23
  • 24
  • 25
  • 26
  • 27
  • 28
  • 29
  • 30
  • 31
  • 32
  • 33
  • 34
  • 35
  • 36
  • 37
  • 38
  • 39
  • 40
多选题 (共10 题)
  • 41
  • 42
  • 43
  • 44
  • 45
  • 46
  • 47
  • 48
  • 49
  • 50
判断题 (共20 题)
  • 51
  • 52
  • 53
  • 54
  • 55
  • 56
  • 57
  • 58
  • 59
  • 60
  • 61
  • 62
  • 63
  • 64
  • 65
  • 66
  • 67
  • 68
  • 69
  • 70
案例题 (共4 题)
  • 71
  • 72
  • 73
  • 74
未做
已做
标记
保存进度
交卷
提交纠错
请填入您发现的错误详情,或输入您对该题的评论或意见
您正在结束作答
您还有100道题未作答,是否确定交卷?
确定交卷 下次继续
警告:系统检测到您的账号存在安全风险

为了保护您的账号安全,请输入手机验证码后,完成身份验证。通过后方可继续刷题!

账号:
手机号:
短信验证码: 获取验证码
确认
若遇到问题,请 联系客服

试卷生成中,请等待

获取试卷失败

抱歉!

返回

你无该试卷的权限

购买题库
关于我们  |  免责声明  |  网站导航  |  帮助中心  |  联系我们
违法和不良信息举报/反馈/投诉邮箱:weilaiyunling@163.com
版权所有  ©2025 津ICP备2024020020号-1